五條DC/DC轉換電路設計必看金律
來源:網絡????????發布時間:08-09????????點擊:
摘要 : 搞嵌入式的工程師們往往把單片機、ARM、DSP、FPGA搞的得心應手,而一旦進行系統設計,到了給電源系統供電,雖然也能讓其精心設計的程序運行起來,但對于新手來說,有時可能效率低下,往往還有供電電流不足或過大引起這樣那樣的問題,本文十大金律輕松搞定DCDC電源轉換電路設計。
搞嵌入式的工程師們往往把單片機、ARM、DSP、FPGA搞的得心應手,而一旦進行系統設計,到了給電源系統供電,雖然也能讓其精心設計的程序運行起來,但對于新手來說,有時可能效率低下,往往還有供電電流不足或過大引起這樣那樣的問題,本文十大金律輕松搞定DCDC電源轉換電路設計。
第一條、搞懂DC/DC電源怎么回事
DC/DC電源電路又稱為DC/DC轉換電路,其主要功能就是進行輸入輸出電壓轉換。一般我們把輸入電源電壓在72V以內的電壓變換過程稱為DC/DC轉換。常見的電源主要分為車載與通訊系列和通用工業與消費系列,前者的使用的電壓一般為48V、36V、24V等,后者使用的電源電壓一般在24V以下。不同應用領域規律不同,如PC中常用的是12V、5V、3.3V,模擬電路電源常用5V 15V,數字電路常用3.3V等,現在的FPGA、DSP還用2V以下的電壓,諸如1.8V、1.5V、1.2V等。在通信系統中也稱二次電源,它是由一次電源或直流電池組提供一個直流輸入電壓,經DC/DC變換以后在輸出端獲一個或幾個直流電壓。
第二條、需要知道 的DC/DC轉換電路分類
DC/DC轉換電路主要分為以下三大類:
①穩壓管穩壓電路。 ②線性 (模擬)穩壓電路。 ③開關型穩壓電路
第三條、最簡單的 穩壓管電路設計方案
穩壓管穩壓電路電路結構簡單,但是帶負載能力差,輸出功率小,一般只為芯片提供基準電壓,不做電源使用。比較常用的是并聯型穩壓電路,其電路簡圖如圖(1)所示,

技術分享
選擇穩壓管時一般可按下述式子估算: (1) Uz=Vout; (2)Izmax=(1.5-3)ILmax (3)Vin=(2-3)Vout 這種電路結構簡單,可以抑制輸入電壓的擾動,但由于受到穩壓管最大工作電流限制,同時輸出電壓又不能任意調節,因此該電路適應于輸出電壓不需調節,負載電流小,要求不高的場合,該電路常用作對供電電壓要求不高的芯片供電。
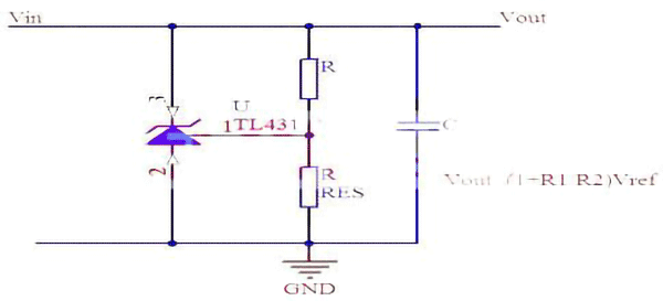
第四條、基準電壓源芯片穩壓電路
穩壓電路的另一種形式,有些芯片對供電電壓要求比較高,例如AD DA芯片的基準電壓等。常用基準源芯片,有良好的熱穩定性能的三端可調分流基準電壓源。它的輸出電壓用兩個電阻就可以任意地設置到從Vref(2.5V)到36V范圍內的任何值。最常用的電路應用如下圖示,此時Vo=(1+R1/R2)Vref。選擇不同的R1和R2的值可以得到從2.5V到36V范圍內的任意電壓輸出,特別地,當R1=R2時,Vo=5V。
技術分享
其他的幾個基準電壓源芯片電路類似。
第五條、串聯型穩壓電源的電路認識
串聯型穩壓電路屬直流穩壓電源中的一種,其實是在三端穩壓器出現之前比較常用的直流供電方法,在三端穩壓器出現之前,串聯穩壓器通常有OP放大器和穩壓二極管構成誤差檢測電路,如下圖,該電路中,OP放大器的反向輸入端子與輸出電壓的檢測信號相連,正向輸入端子與基準電壓Vref相連,Vs=Vout*R2/(R1+R2)。由于放大信號ΔVs為負值,控制晶體管的基級電壓下降,因此輸出電壓減小在正常情況下,必有 Vref=Vs=Vout*R2/(R1+R2),調整R1,R2之比可設定所需要的輸出電壓值。
圖中所示只是這也是三端穩壓器的基本原理,其實負載大小可以可以把三極管換成達林頓管等等,這種串聯型穩壓電路做組成的直流穩壓電源處理不當,極易產生振蕩?,F在沒有一定模擬功底的工程師,一般現在不用這種方法,而是直接采用集成的三端穩壓電路,進行DC/DC轉換電路的使用。